Новости, обзоры и акции
Производители
Все производители Будьте в курсе!
Новости, обзоры и акции
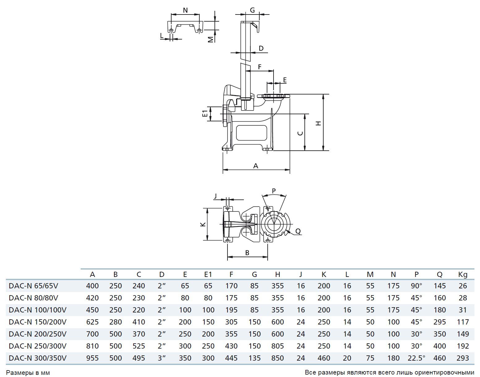
Донное присоединительное устройство Zenit DAC DN200/250
Доставка по России любой ТК (транспортной компанией)
Все товары сертифицированы
Основные характеристики
Производитель
Страна производитель
Италия
Диаметр вход/выход мм
200/250
Присоединение
Фланцевое
Тип установки
Донное
Вес, кг
149
Особенности
Донное соединительное устройство DAC с вертикальным напорным отверстием позволяет выполнять техническое обслуживание насоса без опорожнения резервуара, а также удерживает всасывающее отверстие насоса на оптимальной высоте. Корпус выполнен из чугуна, уплотнение из резины NBR.
Комплектация: донное соединительное устройство, скользящий фланец, верхний крепеж для фиксирования направляющих труб.
Донное присоединительное устройство Zenit DAC DN200/250 в продаже по цене 103 368 руб. в Интернет-магазине Проф-инструмент с доставкой в Уфе. Звоните по телефону +8 (800) 302-10-51.
Похожие товары
