Будьте в курсе!
Новости, обзоры и акции
Время работы:
ПН-ПТ 10:00 - 19:00
СБ-ВС выходной
Новости, обзоры и акции
|
|
|
|
|
|
(0)
|
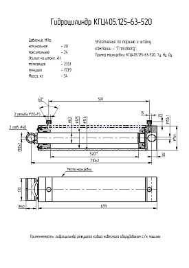
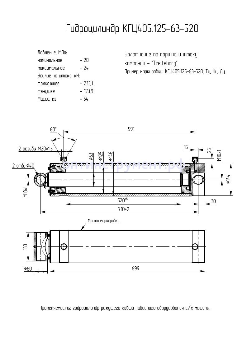
Вы можете узнать актуальную цену для города Уфы, на гидроцилиндр КГЦ405.125-63-520, сделав запрос, на наш электронный адрес 2584500@bk.ru
Гидроцилиндр режущего ковша навесного оборудования с/х машины КГЦ 405.125-63-520 в продаже по цене 18 405 руб. в Интернет-магазине Проф-инструмент с доставкой в Уфе. Звоните по телефону +8 (800) 302-10-51.
Новости, обзоры и акции
