Будьте в курсе!
Новости, обзоры и акции
Время работы:
ПН-ПТ 10:00 - 19:00
СБ-ВС выходной
Новости, обзоры и акции
|
|
|
|
|
|
(0)
|
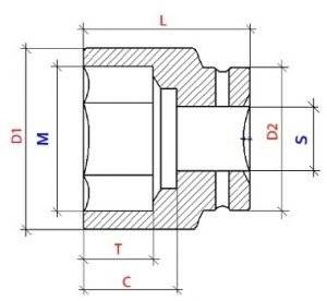
Головка ударная искробезопасная PNG-107-36AlCu в продаже по цене 0 руб. в Интернет-магазине Проф-инструмент с доставкой в Уфе. Звоните по телефону +8 (800) 302-10-51.
Новости, обзоры и акции
